WSJ(蝸桿上置)型為_傳動的阿基米德圓柱蝸桿減速器。主要用于礦山、冶金、水泥、建筑等各機械設備的減速傳動,蝸桿轉速不_1500r/min,工作環(huán)境溫度為-40℃~+40℃,蝸桿可正反轉,減速器具有自鎖性。

|
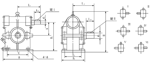
型號 |
A |
H1 |
H |
B |
B1 |
C |
C1 |
4--Φ |
L1 |
L2 |
L3 |
L4 |
d1 |
鍵I |
d2 |
鍵II |
|
WSJ80 |
80 |
200 |
275 |
210 |
160 |
145 |
115 |
4—Φ13 |
181 |
50 |
152 |
50 |
Φ22 |
6×40 |
Φ30 |
8×42 |
|
WSJ100 |
100 |
240 |
330 |
250 |
180 |
180 |
140 |
4—Φ18 |
191 |
50 |
176 |
65 |
Φ30 |
8×42 |
Φ40 |
12×55 |
|
WSJ120 |
120 |
270 |
360 |
275 |
200 |
200 |
150 |
4—Φ18 |
218 |
56 |
187 |
78 |
Φ30 |
8×50 |
Φ45 |
14×70 |